
GF型葉輪給料機產品概述:
Y型剛性葉輪式給料機常用于將上部料倉中的干燥粉狀物料或小顆粒物料連續地、均勻地喂送到下一設備中去,是一種定量給料設備。可以配裝插板閥等設備達到控制給料量以及給料速度的目的,也可以加裝變頻電機使用變頻器達到無調速來控制給料量。
GF型葉輪給料機的出力是按一定的容積比重確定的。因此對于建材、冶金、化工、民用等部門的制粉系統,也可根據技術性能廣為選用。
GF型葉輪給料機工作原理:
GF型葉輪給粉機是一種定量給粉設備。給粉量的調節是靠改變電磁調速異步電動機的轉數來達到的。變速系統是由一極蝸輪與蝸桿付構成的。 當變速時由蝸桿付通過裝在同一主軸上的刮板,供給葉輪和測量葉輪實現給粉。煤粉自煤粉斗流入給粉機上部體內的隔板上及其缺口下面的供給葉輪的齒槽內,旋轉的葉輪帶著煤粉在供給葉輪殼內轉180度給葉輪殼缺口處,落到測量葉輪內的齒槽,測量葉輪再轉180度又把煤粉帶部體內的缺口片,煤粉即落入出粉管中,按此過程就達到連續、均勻給粉的防止停機時煤粉自流的目的。
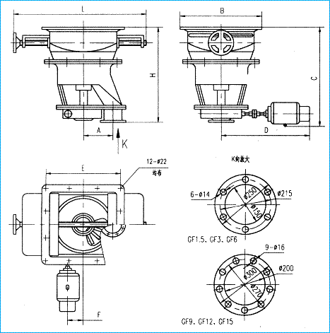
GF型葉輪給料機外形尺寸:

GF型葉輪給料機技術參數表:
GF型葉輪給料機配套電動機技術數據:
GF型葉輪給料機訂貨須知:
1.本GF型葉輪給料機配套供應JZTy—31—4型交流電磁調速異步電動機,對控制設備的配套數置和類型,需在訂合同時商定。
2.本GF型葉輪給料機也適用于ZT2—52型直流電動機,需用時,由用戶自理電機配套與單獨按裝事宜。
3.出口產品或有特殊要求者,需在訂合同時商定,并另收加工費用。
4.在用戶遵守產品的保管,使用,安裝,運輸規定的條件下,從本廠發貨日期起在6個月內,產品因制造質量不良而發生損壞或不正常工作時,本廠負員免費為用戶修理或更換零件。
5.由于用戶保管,使用,安裝,運輸不當而造成損壞等,由用戶自理,本廠提供協助。
6.產品的出廠文件用防潮文件袋裝好,放入包裝箱內。隨同每臺產品應附的技術文件有:產品合格證,裝箱單、產品說明書,征求用戶意見書等。希安裝單位將技術文件袋轉交用戶妥善保管為宜。

實力廠家 值得信賴
根據客戶的生產要求進行制造各種篩分機械

技術研發 創新服務
根據客戶的生產要求進行制造各種篩分機械

品質管控 質量保證
根據客戶的生產要求進行制造各種篩分機械

服務保障 售后完善
根據客戶的生產要求進行制造各種篩分機械
